|
设为主页
|
保存桌面
荷兰Fluidics佳武自营旗舰店
021-80392064
首页
品牌介绍
供应产品
新闻中心
联系方式
下载
品牌档案
佳武自营旗舰店
白经理
女士
经营范围:
Fluidics雾化器,Fluidics燃烧器枪管,Fluidics调节器
主营行业:
机械/轴承/风机
仪器/仪表/测量
所在地区:
芬兰
新闻中心
> 燃烧器枪管:燃烧系统的关键部件
产品分类
全部分类
> Fluidics 雾化器
> Fluidics 调节器
> Fluidics 燃烧器枪管
联系方式
联系人:白经理
电话: 021-80392064
手机及微信: 18601640485
邮箱: 3107346682@qq.com
地址:
上海市奉贤区金齐路868号5078室
站内搜索
供应产品
新闻中心
下载
友情链接
暂无链接
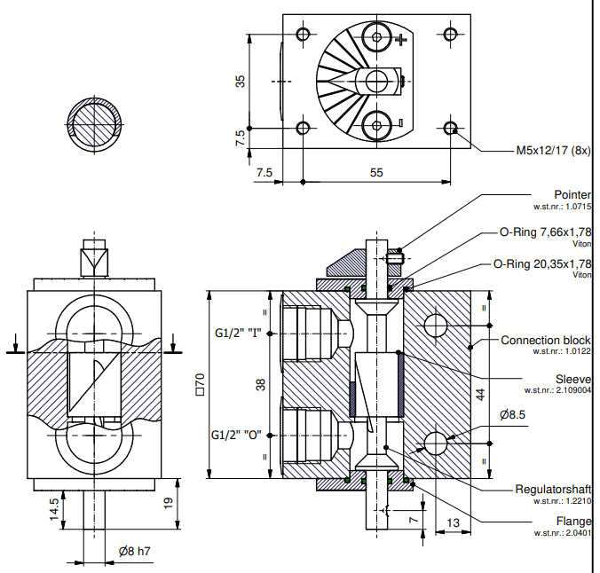
Fluidics 调节器 32-VK2系列
点击图片查看原图
产品:
浏览次数:0
Fluidics 调节器 32-VK2系列
品牌:
Fluidics
单价:
面议
最小起订量:
供货总量:
发货期限:
自买家付款之日起
3
天内发货
有效期至:
长期有效
最后更新:
2025-11-06 15:40
详细信息
询价单